SK-C72
Supporting insulators

- Cast in cycloaliphatic resin
- High dielectric rigidity
- High resistance ageinst surface trakking
- Excellent mechanical and electrical characteristics
- Highly chemical-resistant
Specifications and Downloads
Technical Specifications
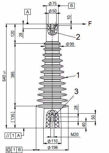
SK-C72 9 shields

Technical data
| Number of shields | 9 |
| Creepage distance | ca. 870mm |
| Weight | 9.6 kg |
| Bending strength | 7'000N |
SK-C72 12 shields
Technical data
| Number of shields | 12 |
| Creepage distance | ca. 1200mm |
| Weight | 11.1 kg |
| Bending strength | 5500N |
Test voltage BIL | 140kV/1min. 325kV |
SK-C72 19 shields

Technical data
| Number of shields | 19 |
| Creepage distance | ca. 1725mm |
| Weight | 15.8 kg |
| Bending strength | 5500N |
Test voltage BIL | 160kV/1min. 350kV |








