Current Transformer AKQ
High current transformers type AKQ are used in busbar systems with uninsulated primary conductors and are designed for long term use.

Type AKQ current transformers are usually used in installations featuring open busbar systems. They transform high currents up to 15,000 A into standardised, equivalent values for meters, measuring equipment and protection devices.
Type AKQ current transformers are available for five different voltage levels: 7.2 kV, 12 kV, 17.5 kV, 24 kV and 36 kV. Six different hole diameters – i.e. six different construction sizes – are possible for each voltage level. The active parts are cast in epoxy resin. Depending on the requirements, up to five mutually galvanically isolated cores can be fitted inside the current transformer's epoxy resin casing and used to provide protection or for measurement tasks. The insulation from the busbar voltage is implemented in the epoxy resin in the current transformer. This transformer type thus meets all the insulation conditions (BIL or TE ratings) for the relevant voltage level. The inside of the hole has an electroconductive coating that must be connected to the primary busbar potential and that ensures that the stringent requirements regarding insulating strength and partial discharge conditions are met. A mounting plate with suitable mounting holes is provided for installation in the system. If the AKQ current transformer is to be installed in custom-made mounting plates or wall openings, this type can also be supplied only with clamps and no plate. As all the active parts are dimensioned and made to order, they can be manufactured in accordance with all international, national and customer-specific standards. Protection classes for transient transmission behav-iour (TPY, TPZ) are also possible.
The secondary terminals are designed as cast bushes, positioned underneath a cover. The connecting wires are fed into the terminal compartment through an opening in the cover and connected to the secondary terminals by means of a cable lug. This cover can be fitted with sealing screws if desired.
Specifications and Downloads
Technical Specifications
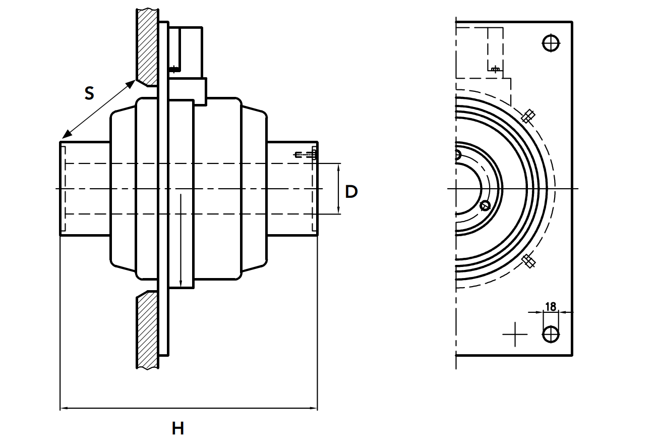
Dimensions

Technical data
Type AKQ | 7.2 | 12 | 17.5 | 24 | 36 | |
| Standard | DIN / IEC / IEEE | |||||
| Highest operating voltage | kV | 7.2 | 12 | 17.5 | 24 | 36 |
| Power frequency withstand voltage | kV | 20 | 28 | 38 | 50 | 70 |
| Lightning surge withstand voltage | kV | 60 | 75 | 95 | 125 | 170 |
| Frequency | Hz | 16.7 / 50 / 60 | ||||
| Primary rated current | A | ≤15,000 | ||||
| Secondary rated current | A | 1 / 5 | ||||
| Thermal short-time current rating [lth] | kA/1s | 100 x In | ||||
| Rated dynamic current [ldyn] | kA | 2.5 x lth | ||||
| Accuracy classes | 0.1 - 3; 0.2S; 0.5S; P; PR; PX; PXR; TPX; TPY;TPZ | |||||
| Max. number of cores | 5 | |||||
Type AKQ | 7.2 | 12 | 17.5 | 24 | 36 | ||
| Transformer size | H | mm | ≤ 520 | ≤ 520 | ≤ 520 | ≤ 520 | ≤ 640 |
| Internal diameter | D | mm | 60 / 120 / 160 / 250 / 360 / 500 | ||||
| Sparking distance | S | mm | ≤ 90 | ≤ 125 | ≤ 175 | ≤ 220 | ≤ 320 |


